

鷹牌SJ-15微小千斤頂介紹:
*鷹牌SJ-15微小千斤頂(微調整用千斤頂),屬于機械式千斤頂【日本鷹牌EAGLE JACK品牌(今野制作所)】。
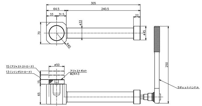
*SJ-15機械式千斤頂,主要通過手柄操作,可頂升15T、揚程13mm,本體高度80mm。
*鷹牌SJ-15微小千斤頂附帶專用收納鐵箱,含有六角扳手,棘輪和調整螺絲為附件(如下圖)。


鷹牌SJ-15微小千斤頂實物展示:


鷹牌SJ-15微小千斤頂案例展示:



??? 日本鷹牌(EAGLE)千斤頂是日本原裝進口產品,成立于1961年同年EAGLE品牌成立,EAGLE一直致力于千斤頂系列產品的研發、制造。日本鷹牌(EAGLE)生產的千斤頂在日本國屬于重工業級產品與防災害救援產品屬于高品質液壓工具,EAGLE大部份產品的特點為,材質優、做工細、壽命長、安全級別高。可應付各種環境施工、針對于土木、設備搬運、精密儀器安裝大大提高了工作的效率與便捷性。???
???
? 日本·鷹牌(EAGLE)已授權煙臺開發區龍海起重工具有限公司為中國區域代理商,負責日本·鷹牌(EAGLE)產品在中國市場的銷售流通與售后服務。《非我公司渠道銷售的鷹牌產品均為仿造產品》
![]()
SJ-15微小千斤頂為日本鷹牌EAGLE JACK原裝進口產品,保質1年,我公司承諾凡是客戶在我公司訂購的進口類產品均為原裝正品,絕不存在拆件貨,換件貨,假冒品牌產品,凡客戶從我公司訂購日本鷹牌EAGLE JACK產品如收到貨物時發現有拆件貨,換件貨,假冒、假貨仿貨均以100倍金額賠償。
產品選型:液壓千斤頂?