
? 鷹牌EAGLE GU-100T低型多段爪式千斤頂為日本今野制作所生產,重工業級別產品,爪載荷5噸頂載荷10噸,低位設計,適合空間高度有限的場合,現授權煙臺開發區龍海起重工具有限公司銷售

鷹牌EAGLE GU-100T低型多段爪式千斤頂介紹:
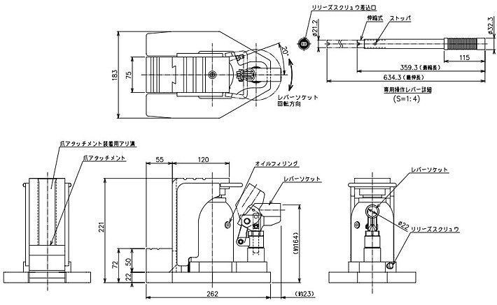
* 鷹牌EAGLE GU-100T低型多段爪式千斤頂多段式設計,輔助爪可按照使用要求拆卸,也可自動調節高度。
* 鷹牌EAGLE GU-100T低型多段爪式千斤頂配備安全閥,以防止過載,大大的提高了工作安全性
* 鷹牌EAGLE GU-100T低型多段爪式千斤頂主軸光滑,采用堅硬的鍍鉻鋼制的缸套,耐磨的活塞底座。
* 鷹牌EAGLE GU-100T低型多段爪式千斤頂壓桿插座可自由轉動,可在狹小的空間內使用。
? 鷹牌EAGLE GU-100T低型多段爪式千斤頂(本體高度為221mm)與標準型GU-100多段爪式千斤頂相比(本體高度288mm)更適合空間高度有限的場合。

![]()
GU-100T低型多段爪式千斤頂為日本EAGEL? JACK原裝進口產品,保質1年,我公司承諾凡是客戶在我公司訂購的進口類產品均為原裝正品,絕不存在拆件貨,換件貨,假冒品牌產品,凡客戶從我公司訂購日本EAGEL? JACK產品如收到貨物時發現有拆件貨,換件貨,假冒、假貨仿貨均以100倍金額賠償。
產品選型:
產品資料:
鷹牌EAGEL千斤頂中國區域授權代理(授權書)