
? ? G-60TL低型長爪型爪式千斤頂為日本鷹牌EAGLE JACK品牌產品,今野制作所生產,重工業級別的起重頂升工具,現由煙臺開發區龍海起重工具有限公司授權代理。

鷹牌EAGLE G-60TL低型長爪型爪式千斤頂介紹:
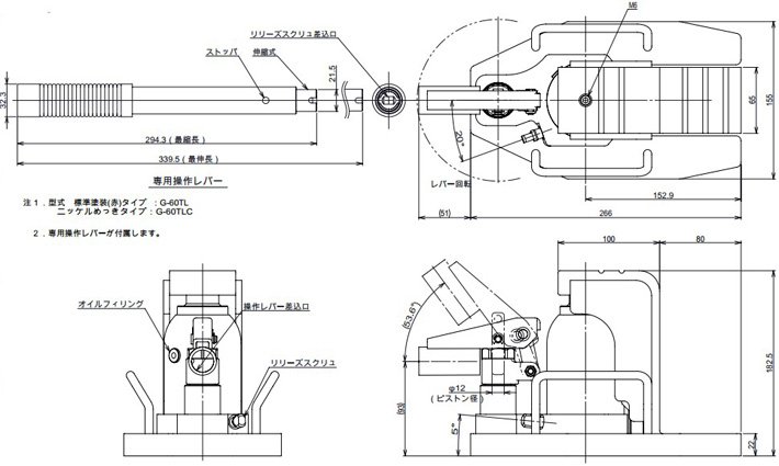
* 鷹牌EAGLE G-60TL低型長爪型爪式千斤頂爪載荷3噸頂載荷6噸,可橫向使用
* 鷹牌EAGLE G-60TL低型長爪型爪式千斤頂加長爪部設計,頂升更平穩
* 鷹牌EAGLE G-60TL低型長爪型爪式千斤頂爪部一體成型,堅固耐用;防滑槽設計,摩擦系數小,安全系數高。
鷹牌EAGLE G-60TL低型長爪型爪式千斤頂與其他產品對比:
G-60TL低型長爪型爪式千斤頂:本體高度183mm,爪長度80mm
G-60L長爪型爪式千斤頂:本體高度236mm,爪長度80mm
G-60T低型爪式千斤頂:本體高度180mm,爪:長度50mm

![]()
G-60TL低型長爪型爪式千斤頂為日本EAGEL? JACK原裝進口產品,保質1年,我公司承諾凡是客戶在我公司訂購的進口類產品均為原裝正品,絕不存在拆件貨,換件貨,假冒品牌產品,凡客戶從我公司訂購日本EAGEL? JACK產品如收到貨物時發現有拆件貨,換件貨,假冒、假貨仿貨均以100倍金額賠償。
產品選型:
產品資料:
鷹牌EAGEL千斤頂中國區域授權代理(授權書)